كشركة مصنعة وموردة محترفة لمشغلات LED في الصين، فإن مشغل DALI CCT المتين لضبط التيار المستمر LED 60 وات من مصنع Starwell هو أول وأبسط نظام إشارات للتحكم في الإضاءة الإلكترونية، ومخفتات الجهد المنخفض 0-10 فولت تستخدم إشارة جهد منخفض 0-10 فولت تيار مستمر متصلة بكل مصدر طاقة LED أو صابورة الفلورسنت. عند 0 فولت، سيتم تعتيم الجهاز إلى الحد الأدنى لمستوى الإضاءة الذي يسمح به برنامج التشغيل، وعند 10 فولت، سيعمل الجهاز بنسبة 100%.
مواصفات المنتج
|
مدخل |
جهد الإدخال |
200-240 فولت تيار متردد |
|
تردد الإدخال |
50/60 هرتز |
|
|
عامل الطاقة |
0.9 |
|
|
الإخراج |
.تيار مستمر الجهد |
10-42 فولت |
|
التصنيف الحالي |
700-1700 مللي أمبير |
|
|
الأعلى. قوة |
60 واط |
|
|
وقت صعود الإعداد |
<0.5 ثانية |
|
|
حماية |
دائرة قصيرة |
يتعافى تلقائيًا بعد إزالة حالة الخطأ |
|
الزائد |
حماية من التحميل الزائد بنسبة 110-130% أعلى من تصنيف الذروة |
|
|
درجة الحرارة الزائدة |
اغلاق o/p الجهد. أعد التشغيل للتعافي |
|
|
رمز IP |
IP20 |
|
|
بيئة |
درجة حرارة العمل. |
-30-+50 درجة مئوية (راجع منحنى تخفيض حمل الخرج) |
|
درجة حرارة التخزين. |
-40-+80 درجة مئوية |
|
|
السلامة والتوافق الكهرومغناطيسي |
معايير السلامة |
م |
|
معايير اختبار EMC |
م |
|
|
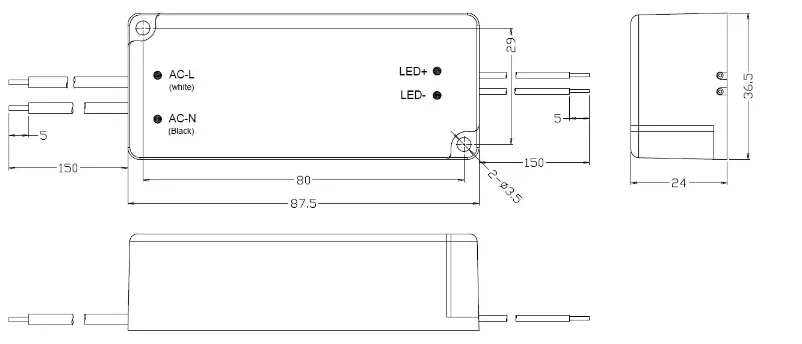
البعد |
162x45x31 ملم |
|
تعتيم مرن وسهل التركيبI
تتميز DALI بالمرونة الشديدة وتجعل من الممكن إنشاء مجموعات مختلفة يمكن التحكم فيها بشكل منفصل باستخدام الأسلاك السهلة. كما أن مرونة DALI تجلب معها المعرفة المتخصصة المطلوبة للتركيب والتشغيل. DALI هو بروتوكول ثنائي الاتجاه يجعل عملية التشغيل أسهل ومرونة أكبر في معدات التحكم - على سبيل المثال أجهزة استشعار وجود الأشعة تحت الحمراء وأجهزة استشعار الضوء.
---- معيار IEC مفتوح (IEC 62386) ويمكن لأي شخص استخدامه. ---- DALI لديها منظمة نشطة ويتم تحسين وتوسيع DALI باستمرار.
----تحكم رقمي كامل – إنشاء المجموعة أو التحكم الفردي في التركيبات.
---- الاتصال ثنائي الاتجاه يجعل عملية التشغيل أسهل ومرونة أكبر في معدات التحكم.
----قطبية مستقلة اثنين من الأسلاك التحكم.
----البروتوكول القائم على الحافلة.
---- فقط 254 قيمة رقمية (من 0 إلى 100%) تعطي دقة تعتيم منخفضة.





البعد التثبيت
تسليم سريع
أوامر العينات: 1-3 أيام يجب أن يكون أقل من 50 قطعة من الطلب عينة لنا
أوامر تصنيع المعدات الأصلية: 7-10 أيام Avaialbe للكمية داخل 1000 قطعة وبرامج تشغيل LED 80 واط
التعليمات:
1. ما مدى وصولكم إلى السوق في جميع أنحاء المنطقة؟
أسواقنا في جميع أنحاء العالم في كل زاوية، لدينا سنوات عديدة من الخبرة في التجارة الخارجية، وقاعدة عملائنا لديها، لقد عملنا معنا في كل بلد المشترين والمنتجين.
2. ما هو خط الإنتاج الرئيسي الخاص بك؟
نحن ننتج بشكل رئيسي مصدر طاقة LED ومحركات LED، بما في ذلك برامج التشغيل الخاصة بمصابيح MR16، وسلسلة الأنابيب، وسلسلة مقاومة للماء، وسلسلة SAA، وسلسلة TUV وسلسلة UL مع كل من عكس الضوء وغير القابل للضوء. لدينا أيضًا برامج تشغيل تعتيم 0-10 فولت وDALI حسب اختيارك.
3. المصنع الخاص بك أو الشركة التجارية؟
نحن مصنع، ونحن نقدم خدمات تصنيع المعدات الأصلية/تصنيع التصميم الشخصي.
4. هل لديك القدرة على إجراء بحث وتطوير مستقل؟
يضم قسم الهندسة لدينا 4-5 أشخاص، ولدينا قدرات البحث والتطوير. نقوم أيضًا بجمع تعليقات العملاء بانتظام وتحسين المنتج وتطوير المنتجات الجديدة.